[Prev] [Next] [Contents] [Commodore] [New] [Search] [Home]

SCHEMATIC 8050022

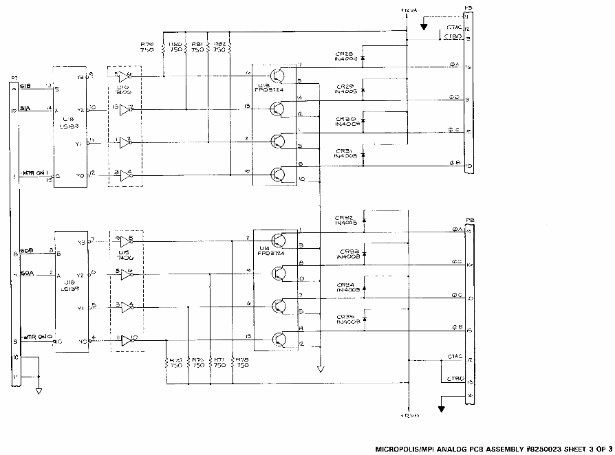
[Micropolis/MPI analog PCB assembly #8050023 sheet 3 of 3]


[Prev] [Next] [Contents] [Commodore] [New] [Search] [Home]
This page has been created by Sami Rautiainen.
Read the small print. Last updated June 06, 1998.