[Prev] [Next] [Contents] [Commodore] [New] [Search] [Home]

[Plus 4 keyboard matrix]
KEYBOARD MATRIX
[7501 pinout][7360 pinout]
PIN ASSIGNMENT
U2-251536-01
CUSTOM MICROPROCESSOR
PIN ASSIGNMENT
U1-251535-01
VLSI, TEXT DISPLAY
TED
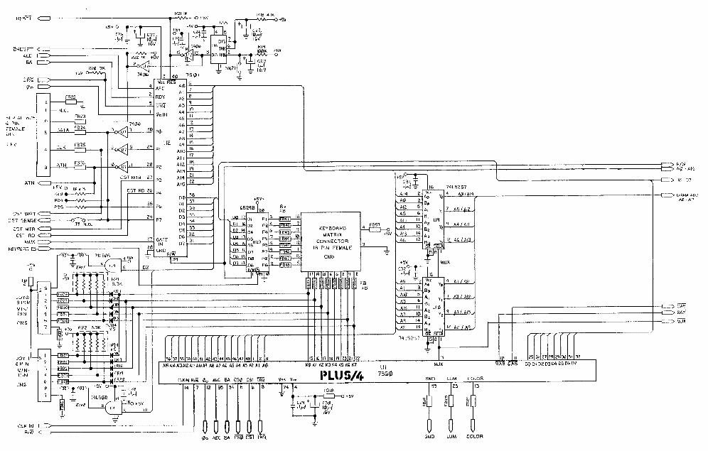
[Plus 4 schematic #310164 (1 of 4)]
Plus 4 Schematic #310164 (1 of 4)


[Prev] [Next] [Contents] [Commodore] [New] [Search] [Home]
This page has been created by Sami Rautiainen.
Read the small print. Last updated August 16, 1998.